

一、二要素車載氣象站產品簡介
二要素車載氣象站又稱車載氣象站,車載式自動氣象站,二要素車載氣象站采用二要素一體式傳感器,可對風速、風向進行實時觀測,廣泛運用于氣象、農林、環保、海洋、機場、港口、科學考察、校園教育等領域。
WX-CZ2車載氣象站是一款高度集成、低功耗、可快速安裝、便于移動監測的高精度自動氣象觀測設備。
廣泛運用于氣象、農林、環保、海洋、機場、港口、科學考察、校園教育等領域。
該設備采用二要素一體式傳感器,可對風速、風向進行實時觀測,傳感器外殼采用進口ABS材質,更有效對抗鹽霧等環境,防護等級達到IP65以上。
標配485轉USB(有線連電腦)、藍牙(無線連安卓手機),可毫秒級采集。選配網卡傳輸,傳輸間隔最低1min。
二、產品特點
1、頂蓋隱藏式超聲波探頭,避免雨雪堆積的干擾,避免自然風遮擋
2、原理為發射連續變頻超聲波信號,通過測量相對相位來檢測風速
3、設備底部配備高強度磁鐵(橡膠包裹),可無損吸附于車頂。
4、減震防護拉桿箱,方便攜帶
5、內置電子羅盤,自動找北
6、北斗與GPS雙模定位,最高精度0.1米
三、技術參數
1、風速:超聲波原理,0~60m/s(±0.1m/s),可測真實風速
2、風向:超聲波原理,0~360°(±2°)
3、數據存儲:不少于50萬條;
4、功耗:1.75W
5、鋰電池:容量12000maH,續航時間≥50h
6、總重量:≤5kg;
7、布設時間:1人,不大于2分鐘完成布設;
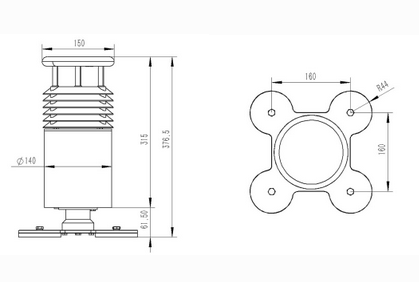
四、尺寸圖

五、上位機軟件介紹
1、PC單機版數據接收、存儲、查看、分析軟件
2、支持串口數據接收、處理、展示
3、支持json字符串、modbus485等通信方式
4、可自設置存儲時間,modbus485采集模式下可自設置采集時間
5、支持自助增加、刪除、修改監測參數的協議、名稱、圖標等
6、支持數據后處理功能
7、支持外置運行javascript腳本
六、安卓APP介紹
1、安卓單機版數據接收、存儲、查看、分析軟件
2、支持藍牙數據接收
3、手機休眠后軟件后臺接收、處理
4、json數據自動添加設備,modbus設備支持掃碼添加設備
5、支持歷史數據查看、分析、導出表格,支持曲線展示、單數據點查看。
6、支持數據后處理功能
7、支持外置運行javascript腳本
七、云平臺介紹 (選配)
1、CS架構軟件平臺,支持手機、PC瀏覽器直接觀測、無需額外安裝軟件。
2、支持多帳號、多設備登錄
3、支持實時數據展示與歷史數據展示儀表板
4、云服務器、云數據存儲,穩定可靠,易于擴展,負載均衡。
5、支持短信報警及閾值設置
6、支持地圖顯示、查看設備信息。
7、支持數據曲線分析
8、支持數據導出表格形式
9、支持數據轉發,HJ-212協議,TCP轉發,http協議等。
10、支持數據后處理功能
11、支持外置運行javascript腳本
?WX-SW2水文監測系統是可以實時監測渠道內水位、降雨量的監測設備,在之前的監測方法中面對突如其來的洪水、···
?WX-Q3農業四情監測系統是一款針對農田中“土壤、蟲情、氣象、苗情、孢子”這幾大關鍵要素進行實時監測與預警···
?WX-FGF11H分布式光伏氣象站是一種專門設計用于監測光伏電站所在區域氣象條件的設備。它具備實時監測、數據分···
?WX-QSZ05多參數水質在線監測系統是一種集成了多種傳感器和數據處理技術的水質監測設備。它能夠實時監測水中···
?極端天氣事件,如暴雨、雷電、大風等,都可能對校園安全構成威脅。通過WX-XQ2學校校園氣象站實時監測氣象數···
?無人機el檢測儀指的是利用無人機搭載EL檢測設備對光伏電站的電池組進行檢測和評估的一種方法,原理是通過將···
?此外,WX-XQ3中學學校環境氣象站還成為了學校環保教育的重要陣地。通過組織學生參與氣象觀測、數據分析等活···
?WX-BXQX10便攜式全自動氣象站采用了先進的傳感器技術和自動化控制系統,能夠實時監測風速、風向、溫度、濕度···
?WX-FBQ2型防爆氣象站是風途物聯網根據市場需求,針對化工廠、油庫等特殊場所而研發生產的一款一體化氣象站。···
?光伏電站方陣組件檢測方式主要依賴人工,耗時費力且效率低下。而WX-EL4光伏無人機EL檢測掃描設備則能夠搭載···
魯公網安備37079402370807 備案號:魯ICP備2022000322號-4 百度地圖txt地圖