

一、產品簡介
山東萬象環境科技有限公司作為專業研發生產銷售微型氣象儀的企業,一直致力于微型氣象儀和氣象環境解決方案推廣應用。具有完整的生產鏈、實力雄厚的技術團隊和全面的營銷團隊,我們研發生產的超聲波風速風向儀、五要素微氣象儀、六要素微氣象儀和小型自動氣象站等氣象產品,已廣泛應用到氣象監測、城市環境監測、風力發電、航海船舶、航空機場、橋梁隧道等領域,客戶遍布全國各地,并取得了良好的社會效益和經濟效益。
與傳統的微型氣象儀相比,我司產品克服了對高精度計時器的需求,避免了因傳感器啟動延時、解調電路延時、溫度變化而造成的測量不準問題。
WX-WQX8型八要素微氣象儀創新性地將氣象標準參數(風速、風向、溫度、濕度、氣壓、pm2.5、pm10、噪聲)通過一個高集成度結構來實現,可實現戶外氣象參數24小時連續在線監測,通過數字量通訊接口將八項參數一次性輸出給用戶。產品結構緊湊,外形美觀、大方、高度集成。
二、產品特點
1、頂蓋隱藏式超聲波探頭,避免雨雪堆積的干擾,避免自然風遮擋
2、原理為發射連續變頻超聲波信號,通過測量相對相位來檢測風速風向
3、風速、風向、溫度、濕度、氣壓、pm2.5、pm10、噪聲八要素一體式
4、采用先進的傳感技術,實時測量,無啟動風速☆
5、抗干擾能力強,具有看門狗電路,自動復位功能,保證系統穩定運行
6、高集成度,無移動部件,零磨損
7、免維護,無需現場校準
8、采用ASA工程塑料室外應用常年不變色
9、產品設計輸出信號標配為RS485通訊接口(MODBUS協議);可選配232、USB、以太網接口,支持數據實時讀取☆
10、可選配無線傳輸模塊,最小傳輸間隔1分鐘
11、探頭為卡扣式設計,解決了運輸、安裝過程松動不準的問題☆
三、技術參數
1.風速(標配):量程:0~60m/s;分辨率0.01m/s;精度:±0.1m/s
2.風向(標配):量程:0~360°;分辨率:1°;精度:±2°
3.空氣溫度(標配):量程:-40-60℃;分辨率0.01℃;精度:±0.3℃(25℃)
4.空氣濕度(標配):量程:0-100%RH;分辨率:0.01%RH;精度:±3%RH
5.大氣壓力(標配):量程:30-110Kpa;分辨率0.01Kpa;精度:±0.25%
6.PM2.5(標配):量程:0-1000ug/m3;分辨率1ug/m3;精度:±10%(<500微克)
7.PM10(標配):量程:0-1000ug/m3;分辨率1ug/m3;精度:±10%(<500微克)
8.噪聲(標配):量程:30-120dB;分辨率0.1dB;精度:±1.5dB
9.其他可選配要素:壓電雨量、TSP、一氧化碳、二氧化硫、二氧化氮、臭氧、光照度、光學雨量、總輻射、二氧化碳、氧氣含量、硫化氫、氫氣、氯氣、氨氣、氯化氫、氰化氫、氟化氫、磷化氫、二氧化氯、環氧乙烷、一氧化氮、過氧化氫、四氫噻吩、甲醛、VOC、催化燃燒可燃氣
9.功率:0.72W
10.整機取得省級校準證書
11.生產企業為3A級信用企業
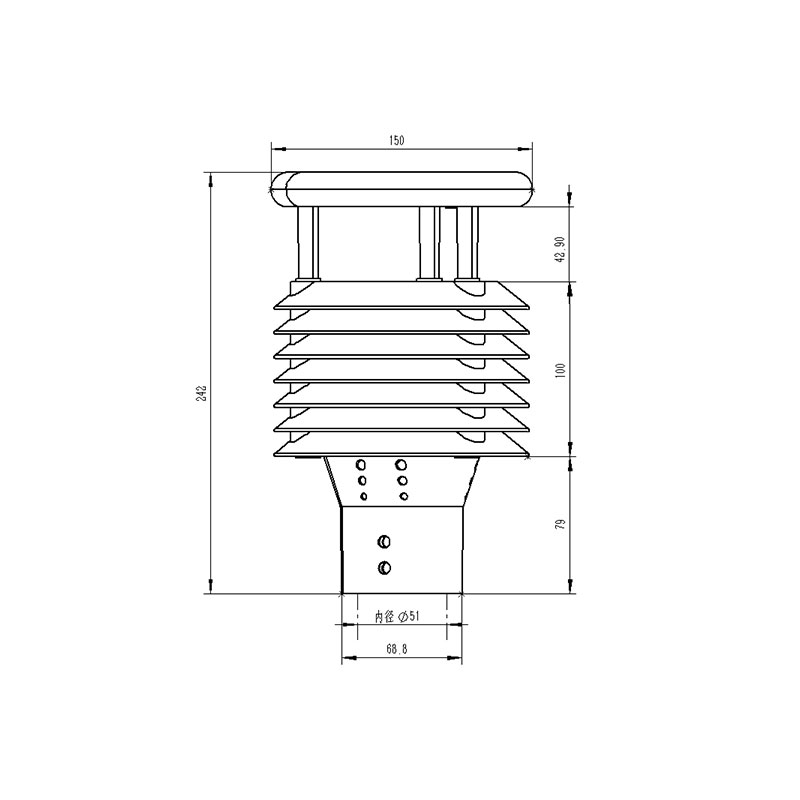
四、產品尺寸圖

五、產品結構圖

1、控制電路
2、指北箭頭
3、超聲波探頭
4、百葉箱PM2.5、PM10
5、溫度、濕度、噪聲、氣壓監測位置
6、法蘭轉換頭
※此產品可選配電子羅盤功能
六、產品接線定義

定義 | 備注 | |
VCC | 電源正 | DC12V |
GND | 電源地 | |
485A | RS485A | |
485B | RS485B |
?WX-SW2水文監測系統是可以實時監測渠道內水位、降雨量的監測設備,在之前的監測方法中面對突如其來的洪水、···
?WX-Q3農業四情監測系統是一款針對農田中“土壤、蟲情、氣象、苗情、孢子”這幾大關鍵要素進行實時監測與預警···
?WX-FGF11H分布式光伏氣象站是一種專門設計用于監測光伏電站所在區域氣象條件的設備。它具備實時監測、數據分···
?WX-QSZ05多參數水質在線監測系統是一種集成了多種傳感器和數據處理技術的水質監測設備。它能夠實時監測水中···
?極端天氣事件,如暴雨、雷電、大風等,都可能對校園安全構成威脅。通過WX-XQ2學校校園氣象站實時監測氣象數···
?WX-SL10森林火險監測站,是森林安全的守護者,它們通過高科技手段,實現對森林火險的實時監測和預警。這些監···
?WX-CW32H 4通道32孔熒光定量PCR儀的最大亮點在于其高效的處理能力。4通道設計意味著該儀器能同時處理四組不···
?WX-EL1便攜式EL檢測儀,憑借其非接觸式、高靈敏度的特點,能夠在黑暗環境下通過施加低電壓使光伏電池內部發···
?化學農藥防治方法雖然短期內效果顯著,但長期使用會對農田生態環境造成破壞,影響農產品的質量和安全。而WX···
?WX-SL10森林氣象火險監測站集成了先進的氣象觀測設備,能夠實時監測溫度、濕度、風向、風速等關鍵氣象要素,···
魯公網安備37079402370807 備案號:魯ICP備2022000322號-4 百度地圖txt地圖